Product Summary
The 25RIA1200 is the medium power thyristor.
Parametrics
25RIA1200 absolute maximum ratings: (1)tq typical: 110 μs; (2)TJ: - 65 to 125 ℃; (3)VDRM/VRRM: 100 to 1200, 1400 to 1600 V; (4)IT(AV): 25A; (5)IT(RMS): 40 A; (6)ITSM @ 50Hz: 420, 398 A.
Features
25RIA1200 features: (1)Improved glass passivation for high reliability and exceptional stability at high temperature; (2)High di/dt and dv/dt capabilities; (3)Standard package; (4)Low thermal resistance; (5)Metric threads version available; (6)Types up to 1600V VDRM/ VRRM.
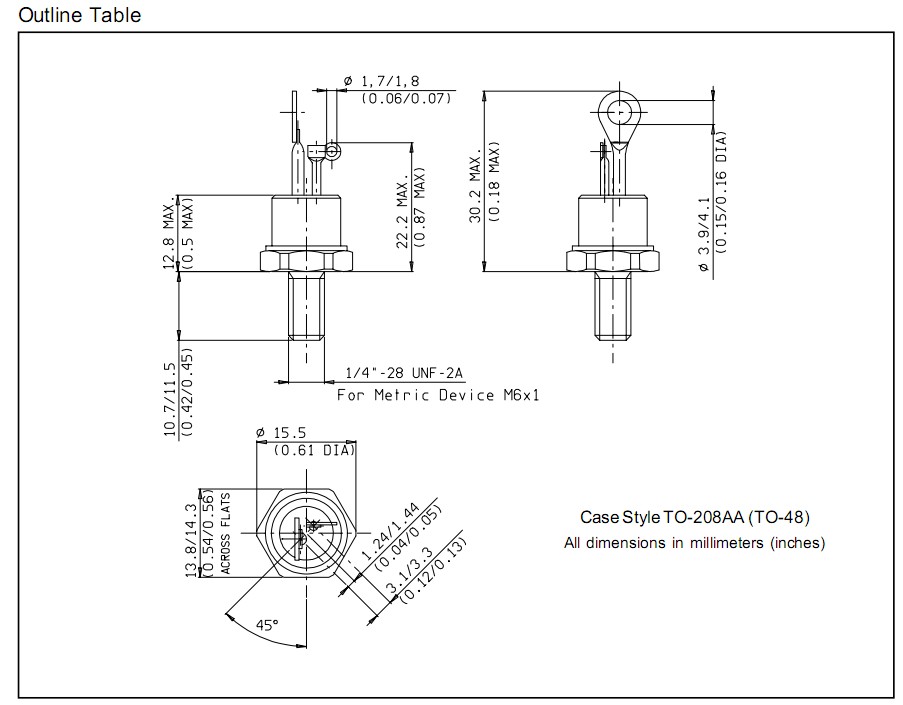
Diagrams

![]() |
![]() 25RIA |
![]() Other |
![]() |
![]() Data Sheet |
![]() Negotiable |
|
||||||||||||||||||||||
![]() |
![]() 25RIA Series |
![]() Other |
![]() |
![]() Data Sheet |
![]() Negotiable |
|
||||||||||||||||||||||
![]() |
![]() 25RIA10 |
![]() |
![]() SCR MED POWER 100V 25A TO-48 |
![]() Data Sheet |
![]()
|
|
||||||||||||||||||||||
![]() |
![]() 25RIA100 |
![]() |
![]() SCR MED POWER 1000V 25A TO-48 |
![]() Data Sheet |
![]()
|
|
||||||||||||||||||||||
![]() |
![]() 25RIA120 |
![]() |
![]() SCR MED POWER 1200V 25A TO48 |
![]() Data Sheet |
![]()
|
|
||||||||||||||||||||||
![]() |
![]() 25RIA120 1/4" UNF |
![]() Ruttonsha |
![]() SCRs 25 Amp 1200 Volt |
![]() Data Sheet |
![]()
|
|
||||||||||||||||||||||
(China (Mainland))









